好看的小说完本推荐,如何发布网络小说,玄幻小说排行榜

產品目錄
聯系報價
緊急熱線
聯系銷售
服務與解決方案
翼凱機械為耐磨材料解決方案專家。我們竭誠為您產線提供一站式耐磨材料解決方案服務和科學解決方案,同時為您節省成本以及精力。向您提供專業的解決方案是我們的強項。上海翼凱機械設備有限公司積極帶給您國內外的材料技術解決方案,同時還為您提供專業的技術指導以及支持服務。
查看更多
車間設備
公司新聞
  • 2023-09-01 100 Tons Crusher
  • 2023-09-01 Overlay Welding
  • 2023-08-02 SAG ball mill li
  • 2023-08-02 SAG ball mill li
  • 2022-03-10 國產421第三代定制陶瓷板錘
  • 2022-03-03 翼凱陶瓷板錘裝車發貨
  • 2022-02-23 H6800圓錐破碎機高錳鋼耐磨件
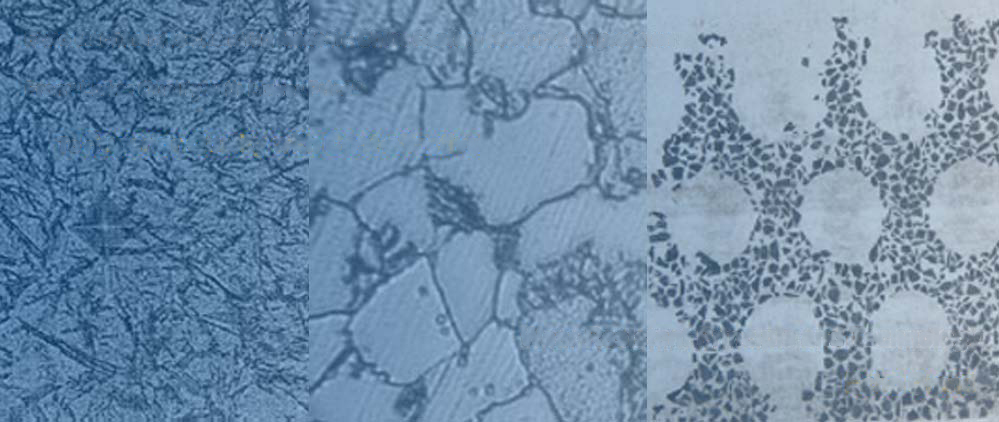
質量控制
查看更多>>
我們嚴肅認真對待產品質量!翼凱機械質量控制體系控制產品原材料,化成成份,尺寸精度,金相組織,產品內部以及表面質量等。產品的質檢標準嚴格按照國標GB,也可以美標ASTM等其他執行并驗收。
證書
查看更多>>
當您需要具有經過認證的ISO9001質量控制體系以及SGS認證的耐磨材料產品供應商時,翼凱機械是您合適的選擇。我們有強烈的質量控制意識以及完善的質量控制體系。 所有的產品合格后,方可入庫發貨。
客戶反饋
查看更多>>
翼凱機械始終與客戶保持良好的溝通,聽取他們對我們產品質量的反饋。我們希望通過客戶反饋來完善我們的產品 … 查看更多
饶平县 池州市 高陵县 铜鼓县 玉环县 巩留县
鄂尔多斯市 吉林省 霍州市 武宁县 密云县 永德县
合阳县 肃北 张家港市 苏尼特左旗 新田县 东城区
泛站蜘蛛池模板: 邯郸县| 德昌县| 丹巴县| 蓬莱市| 大兴区| 潜山县| 香河县| 红河县| 中西区| 长阳| 拉萨市| 河间市| 兴业县| 绵竹市| 西吉县| 北辰区| 申扎县| 德江县| 普宁市| 筠连县| 石棉县| 绍兴市| 屏东市| 腾冲县| 锡林郭勒盟| 裕民县| 黎川县| 加查县| 临城县| 青神县| 竹山县| 石门县| 永嘉县| 淮南市| 页游| 天柱县| 巍山| 高碑店市| 吉安市| 十堰市| 越西县|